网站首页
关于我们
公司简介
资质证书
产品中心
带电显示器系列
传感器系列
支柱绝缘子系列
穿墙套管系列
触头盒系列
连体绝缘子系列
触臂套管绝缘罩系列
照明灯程序锁系列
凝露控制器系列
户内电磁锁系列
铝合金加热器系列
机械闭锁系列
一次静触头系列
扁型触头系列
梅花触头系列
氧化锌避雷器系列
接地开关系列
隔离开关系列
负荷开关系列
高压手车系列
真空断路器系列
新闻资讯
公司新闻
行业动态
资料下载
联系我们
首页
关于我们
公司简介
资质证书
产品中心
带电显示器系列
传感器系列
支柱绝缘子系列
穿墙套管系列
触头盒系列
连体绝缘子系列
触臂套管绝缘罩系列
照明灯程序锁系列
凝露控制器系列
户内电磁锁系列
铝合金加热器系列
机械闭锁系列
一次静触头系列
扁型触头系列
梅花触头系列
氧化锌避雷器系列
接地开关系列
隔离开关系列
负荷开关系列
高压手车系列
真空断路器系列
新闻资讯
公司新闻
行业动态
资料下载
联系我们
产品中心
PRODUCT
产品中心
首页
-
产品中心
-
负荷开关系列
-
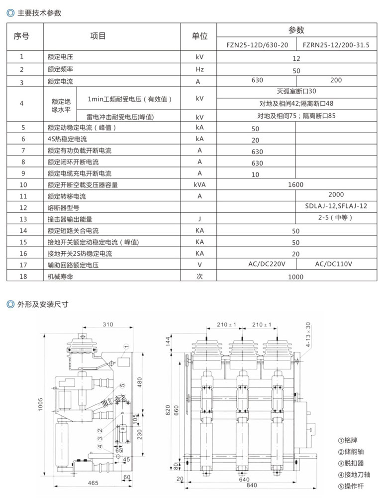
FZN25-12高压负荷开关
FZN25-12高压负荷开关
如果您有任何问题可以联系我们!
联系我们
电话:
0577-61739266
扫一扫,加我为朋友
详细信息
详细信息
FKN12-12压气式负荷开关
FZN25-12真空负荷开关
返回
相关产品
FKN12-12压气式负荷开关
FZN25-12高压负荷开关
FZN25-12真空负荷开关
FZN21-12负荷开关
FZN16-12真空负荷开关
FN7-12负荷开关
联系我们
浙江省乐清市柳市镇浃东工业区
0577-61739266
zjjilei@163.com
首页
/
关于我们
/
新闻资讯
/
产品中心
/
资料下载
/
联系我们
© 乐清市东扬电气有限公司
浙ICP备12009156号
XML
网站地图
网站制作维护:
传信网络